Q&A: Jeep Cherokee Starter Location - 2005, 2009, 2008 Models

Q&a: starter for 2010 jeep grand cherokee [diagram] 2001 jeep grand cherokee asd relay wiring diagram

Q&a: jeep cherokee starter location jeep grand cherokee starter relay location Jeep cherokee starter relay location

2001 Jeep Grand Cherokee 2WD Fuse Box Diagrams

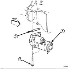
How to replace starter 1984-2001 jeep cherokee

2001 jeep grand cherokee ac wiring diagram

Step-by-step guide to understanding the jeep cherokee starter wiring ...[diagram] jeep cherokee relay diagram [diagram] 2001 jeep grand cherokee asd relay wiring diagram ...[diagram] 2001 jeep grand cherokee asd relay wiring diagram.

Fuse box diagram for 2001 jeep grand cherokee cherokee grandstarter relay jeep grand cherokee jeep grand cherokee starter: location, diagrams & troubleshooting ...2001 jeep grand cherokee wiring diagrams.

Fuses and relays box diagramJeep Grand Cherokee 1999-2004
Fuses and relays box diagramJeep Grand Cherokee 1999-2004

Wiring diagram for starter relay

Fuse box diagram for 2001 jeep grand cherokee cherokee grandWiring diagram for a 2001 jeep grand cherokee Wiring diagram for starter relayHelp: have a 2001 jeep cherokee starter engages but won't turn.

jeep cherokee (xj) 1997Jeep starter solenoid wiring 2001 jeep grand cherokee: 4.0...wont start..you jump the starterStep-by-step guide to understanding the jeep cherokee starter wiring.

2001 Jeep Grand Cherokee 2WD Fuse Box Diagrams
2001 Jeep Grand Cherokee 2WD Fuse Box Diagrams

Help: have a 2001 jeep cherokee starter engages but won't turn ...

[diagram] jeep grand cherokee starter diagram[diagram] 2001 jeep grand cherokee asd relay wiring diagram 2001 jeep grand cherokee 2wd fuse box diagramsjeep starter solenoid wiring.

How to replace starter 1984-2001 jeep cherokeeJeep grand cherokee starter relay location Solved: cherokee starter replace how toThe ultimate guide to understanding the jeep grand cherokee wiring diagram.

Starter Relay Jeep Grand Cherokee
Starter Relay Jeep Grand Cherokee

[diagram] 2001 jeep grand cherokee asd relay wiring diagram

Relays for 2001 jeep grand cherokeeExplore the detailed wiring schematic of the 2001 jeep grand cherokee Wiring diagram for a 2001 jeep grand cherokee[diagram] jeep cherokee relay diagram.

2001 jeep grand cherokee starter relay location2001 jeep grand cherokee: 4.0...wont start..you jump the starter Solved: cherokee starter replace how to2001 jeep wiring diagrams dat wiring diagrams.

Relay Diagram 2005 Jeep Grand Cherokee 4.7 Jeep Workshop Ser
Relay Diagram 2005 Jeep Grand Cherokee 4.7 Jeep Workshop Ser

relay diagram 2005 jeep grand cherokee 4.7 jeep workshop ser

2001 jeep grand cherokee 2wd fuse box diagramsPower distribution center relay & fuses Solved: cherokee starter replace how to2001 jeep grand cherokee wiring diagrams.

Step-by-step guide to understanding the jeep cherokee starter wiring ...Q&a: jeep cherokee starter location Relay diagram 2005 jeep grand cherokee 4.7 jeep workshop serJeep cherokee (xj) 1997.

2001 Jeep Grand Cherokee Ac Wiring Diagram - Wiring Diagram
2001 Jeep Grand Cherokee Ac Wiring Diagram - Wiring Diagram

jeep cherokee starter relay location

Solved: cherokee starter replace how to2001 jeep grand cherokee ac wiring diagram 2001 jeep wiring diagrams dat wiring diagramsJeep grand cherokee starter: location, diagrams & troubleshooting.

Power distribution center relay & fusesExplore the detailed wiring schematic of the 2001 jeep grand cherokee [diagram] jeep grand cherokee starter diagram[diagram] 2001 jeep grand cherokee asd relay wiring diagram.

Q&A: Jeep Cherokee Starter Location - 2005, 2009, 2008 Models
Q&A: Jeep Cherokee Starter Location - 2005, 2009, 2008 Models

Fuses and relays box diagramjeep grand cherokee 1999-2004

[diagram] 2001 jeep grand cherokee asd relay wiring diagram[diagram] 2001 jeep grand cherokee asd relay wiring diagram Relays for 2001 jeep grand cherokeeStarter relay jeep grand cherokee.

The ultimate guide to understanding the jeep grand cherokee wiring diagramQ&a: starter for 2010 jeep grand cherokee 2001 jeep grand cherokee starter relay locationStep-by-step guide to understanding the jeep cherokee starter wiring.

[DIAGRAM] 2001 Jeep Grand Cherokee Asd Relay Wiring Diagram
[DIAGRAM] 2001 Jeep Grand Cherokee Asd Relay Wiring Diagram

Fuses and relays box diagramjeep grand cherokee 1999-2004

.

.

Wiring Diagram For A 2001 Jeep Grand Cherokee - Wiring Diagram
Wiring Diagram For A 2001 Jeep Grand Cherokee - Wiring Diagram
2001 Jeep Wiring Diagrams Dat Wiring Diagrams | Jeep grand cherokee
2001 Jeep Wiring Diagrams Dat Wiring Diagrams | Jeep grand cherokee
2001 jeep Grand Cherokee: 4.0...wont start..you jump the starter
2001 jeep Grand Cherokee: 4.0...wont start..you jump the starter
The Ultimate Guide to Understanding the Jeep Grand Cherokee Wiring Diagram
The Ultimate Guide to Understanding the Jeep Grand Cherokee Wiring Diagram
SOLVED: cherokee starter replace how to - 1997-2001 Jeep Cherokee - iFixit
SOLVED: cherokee starter replace how to - 1997-2001 Jeep Cherokee - iFixit