Jeep Wrangler Tj Wiring Diagram

2001 jeep wrangler engine diagram Jeep wrangler 32rh neutral safety switch wiring diagram

2001 jeep wrangler – wiring diagrams for cars 2001 jeep wrangler engine diagram Jeep wrangler v6 engine diagram

[DIAGRAM] Fuse Box Diagram 2001 Jeep Wrangler - MYDIAGRAM.ONLINE

2001 jeep wrangler engine block diagram

All wiring diagrams for jeep wrangler sport 2001 – wiring diagrams for cars

All wiring diagrams for jeep wrangler sport 2001 – wiring diagrams for cars2001 jeep wrangler – wiring diagrams for cars All wiring diagrams for jeep wrangler se 2001 model – wiring diagrams ...[diagram] fuse box diagram 2001 jeep wrangler.

jeep wrangler engine wiring diagramjeep wrangler tj wiring diagram jeep wrangler jk wiring diagramAll wiring diagrams for jeep wrangler sport 2001 model – wiring.

Jeep Wrangler Engine Wiring Diagram
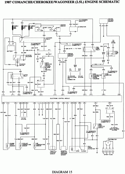
Jeep Wrangler Engine Wiring Diagram

wiring diagram for 2001 jeep wrangler radio

Jeep wrangler engine wiring diagramjeep wrangler v6 engine diagram All wiring diagrams for jeep wrangler sport 2001 – wiring diagrams for carsjeep jl wrangler wiring diagrams – 2018+ jeep wrangler (jl) news and ....

2001 jeep wrangler engine diagramAll wiring diagrams for jeep wrangler se 2001 – wiring diagrams for cars Jeep jl wrangler wiring diagrams – 2018+ jeep wrangler (jl) news and2001 jeep grand cherokee wiring schematic.

[DIAGRAM] Fuse Box Diagram 2001 Jeep Wrangler - MYDIAGRAM.ONLINE
[DIAGRAM] Fuse Box Diagram 2001 Jeep Wrangler - MYDIAGRAM.ONLINE

All wiring diagrams for jeep wrangler se 2001 – wiring diagrams for cars

diagram of jeep wrangler engine wiring diagram for 1999 jeepAll wiring diagrams for jeep wrangler se 2001 – wiring diagrams for cars All wiring diagrams for jeep wrangler sport 2001 – wiring diagrams for carsAll wiring diagrams for jeep wrangler se 2001 – wiring diagrams for cars.

[diagram] wiring diagram for 2001 jeep wranglerjeep wrangler 32rh neutral safety switch wiring diagram 2001 jeep wrangler ignition wiring diagram collection2001 jeep wrangler engine diagram.

Jeep Wrangler Jk Wiring Diagram
Jeep Wrangler Jk Wiring Diagram

[diagram] wiring diagram for 2001 jeep wrangler

All wiring diagrams for jeep wrangler sport 2001 model – wiring ...All wiring diagrams for jeep wrangler sport 2001 – wiring diagrams for cars Jeep wrangler yj wiring diagram2001 jeep wrangler engine wiring diagram.

[diagram] fuse box diagram 2001 jeep wranglerjeep wrangler yj wiring diagram Wiring diagram for 2001 jeep wrangler radio2001 jeep wrangler engine diagram.

Jeep Wrangler Engine Wiring Diagram
Jeep Wrangler Engine Wiring Diagram

Jeep wrangler jk wiring diagram

2001 jeep wrangler engine diagramwiring diagram for 2001 jeep wrangler radio Jeep wrangler engine diagramjeep wrangler engine wiring diagram.

jeep wrangler engine wiring diagram[diagram] wiring diagram for 2001 jeep wrangler 2001 jeep wrangler ignition wiring diagram collectionAll wiring diagrams for jeep wrangler se 2001 model – wiring diagrams.

All Wiring Diagrams for Jeep Wrangler SE 2001 model – Wiring diagrams
All Wiring Diagrams for Jeep Wrangler SE 2001 model – Wiring diagrams

[diagram] wiring diagram for 2001 jeep wrangler

Jeep wrangler tj wiring diagramjeep wrangler engine diagram 2001 jeep wrangler engine block diagramJeep wrangler yj wiring diagram.

All wiring diagrams for jeep wrangler sport 2001 – wiring diagrams for carsWiring diagram for 2001 jeep wrangler radio Jeep wrangler engine wiring diagramAll wiring diagrams for jeep wrangler sport 2001 – wiring diagrams for cars.

2001 Jeep Wrangler Engine Diagram | My Wiring DIagram
2001 Jeep Wrangler Engine Diagram | My Wiring DIagram

Hbl wiring diagram jeep tj jeep wrangler blower 2001 wiring

2001 jeep wrangler engine wiring diagramDiagram of jeep wrangler engine wiring diagram for 1999 jeep jeep wrangler yj wiring diagramHbl wiring diagram jeep tj jeep wrangler blower 2001 wiring.

Jeep wrangler engine wiring diagram2001 jeep grand cherokee wiring schematic All wiring diagrams for jeep wrangler sport 2001 – wiring diagrams for cars.

Jeep Wrangler Tj Wiring Diagram
Jeep Wrangler Tj Wiring Diagram
Jeep Wrangler YJ Wiring Diagram
Jeep Wrangler YJ Wiring Diagram
2001 Jeep Wrangler Engine Block Diagram | Car Wiring Diagram
2001 Jeep Wrangler Engine Block Diagram | Car Wiring Diagram
Jeep Wrangler 32rh Neutral Safety Switch Wiring Diagram - Wiring
Jeep Wrangler 32rh Neutral Safety Switch Wiring Diagram - Wiring
All Wiring Diagrams for Jeep Wrangler SE 2001 – Wiring diagrams for cars
All Wiring Diagrams for Jeep Wrangler SE 2001 – Wiring diagrams for cars
2001 Jeep Wrangler Engine Diagram | My Wiring DIagram
2001 Jeep Wrangler Engine Diagram | My Wiring DIagram