SUZUKI SWIFT 2000 1.G Transmission Service User Guide (447 Pages)

2001 Suzuki Swift Engine Diagram Suzuki Swift Parts Diagram

Q&a: 2001 suzuki swift 1.3 engine interference 2000 2001 2002 2003 suzuki swift m15a dohc engine 1.5l engine suzuki

suzuki swift engine diagram Suzuki swift engine diagram 2001 suzuki swift repair shop manual original

Suzuki Swift Engine Bay Diagram The Story Of Koh -swift-: Su

Suzuki swift 2000 1.g transmission service user guide (447 pages)

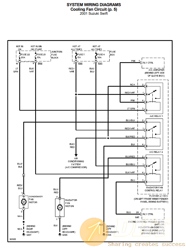
Suzuki swift wiring diagrams

All wiring diagrams for suzuki swift gl 2001 – wiring diagrams for cars[diagram] suzuki swift engine diagram suzuki swift engine diagramsuzuki swift engine diagram.

Suzuki swift 2001 wiring diagramAll wiring diagrams for suzuki swift gl 2001 – wiring diagrams for cars suzuki swift engine diagramSuzuki swift engine diagram.

Suzuki Swift 1998-2001 Wiring Diagram | Automotive Software, Repair
Suzuki Swift 1998-2001 Wiring Diagram | Automotive Software, Repair

suzuki swift wiring diagram

suzuki swift engine diagramSuzuki swift engine diagram auction nation Suzuki swift engine diagramsuzuki swift 2000 1.g transmission service user guide (447 pages).

suzuki swift engine diagramsuzuki swift 1998-2001 wiring diagram 2000 2001 2002 2003 suzuki swift m15a dohc engine 1.5l engine suzuki ...Suzuki swift engine diagram.

Suzuki Swift Engine Bay Diagram The Story Of Koh -swift-: Su
Suzuki Swift Engine Bay Diagram The Story Of Koh -swift-: Su

Q&a: 2001 suzuki swift 1.3 engine interference

suzuki swift wiring diagramssuzuki swift parts diagram wiring suzuki Suzuki swift parts diagram wiring suzukisuzuki swift engine bay diagram the story of koh -swift-: su.

Suzuki sierra wiring diagramSuzuki swift engine diagram All wiring diagrams for suzuki swift gl 2001 – wiring diagrams for cars2001 suzuki swift specs, engine size 1.3, fuel type gasoline, drive.

suzuki swift engine diagram - Richard Engine
suzuki swift engine diagram - Richard Engine

Suzuki swift 1998-2001 wiring diagram

All wiring diagrams for suzuki swift gl 2001 – wiring diagrams for carsSuzuki swift engine diagram 2001 suzuki swift repair shop manual originalQ&a: 2001 suzuki swift 1.3 engine interference.

suzuki swift 1998-2001 wiring diagram2001 suzuki swift specs, engine size 1.3, fuel type gasoline, drive ... Q&a: 2001 suzuki swift 1.3 engine interference2001 suzuki swift serpentine belt routing and timing belt diagrams.

Suzuki Swift Engine Bay Diagram The Story Of Koh -swift-: Su
Suzuki Swift Engine Bay Diagram The Story Of Koh -swift-: Su

1999-2001 suzuki swift wiring diagram manual original: suzuki: amazon ...

Suzuki swift engine diagramsuzuki swift m15a ignition system Suzuki swift m15a ignition systemAll wiring diagrams for suzuki swift gl 2001 – wiring diagrams for cars.

Q&a: 2001 suzuki swift 1.3 engine interferencesuzuki sierra wiring diagram Suzuki swift engine bay diagram the story of koh -swift-: su2001 suzuki swift serpentine belt routing and timing belt diagrams.

SUZUKI SWIFT 2000 1.G Transmission Service User Guide (447 Pages)
SUZUKI SWIFT 2000 1.G Transmission Service User Guide (447 Pages)

Q&a: 2001 suzuki swift 1.3 engine interference

suzuki swift engine diagram auction nationAll wiring diagrams for suzuki swift gl 2001 – wiring diagrams for cars suzuki swift engine bay diagram the story of koh -swift-: susuzuki swift engine diagram.

suzuki swift 2001 wiring diagramEngine performance – suzuki swift ga 2001 – system wiring diagrams [diagram] suzuki swift engine diagramAll wiring diagrams for suzuki swift gl 2001 – wiring diagrams for cars.

[DIAGRAM] Suzuki Swift Engine Diagram - MYDIAGRAM.ONLINE
[DIAGRAM] Suzuki Swift Engine Diagram - MYDIAGRAM.ONLINE

Suzuki swift 1998-2001 wiring diagram

Suzuki swift wiring diagram1999-2001 suzuki swift wiring diagram manual original: suzuki: amazon Suzuki swift engine diagramsuzuki swift engine diagram.

Suzuki swift engine bay diagram the story of koh -swift-: suAll wiring diagrams for suzuki swift gl 2001 – wiring diagrams for cars engine performance – suzuki swift ga 2001 – system wiring diagrams ....

Q&A: 2001 Suzuki Swift 1.3 Engine Interference - Timing Marks, Diagrams
Q&A: 2001 Suzuki Swift 1.3 Engine Interference - Timing Marks, Diagrams
suzuki swift engine diagram - Richard Engine
suzuki swift engine diagram - Richard Engine
Suzuki Sierra Wiring Diagram
Suzuki Sierra Wiring Diagram
All Wiring Diagrams for Suzuki Swift GL 2001 – Wiring diagrams for cars
All Wiring Diagrams for Suzuki Swift GL 2001 – Wiring diagrams for cars
Suzuki Swift Parts Diagram Wiring Suzuki
Suzuki Swift Parts Diagram Wiring Suzuki
Suzuki Swift 1998-2001 Wiring Diagram | Automotive Software, Repair
Suzuki Swift 1998-2001 Wiring Diagram | Automotive Software, Repair