A/C clutch not engaging | Chevy Astro and GMC Safari Forum

2002 Chevrolet Astro Rear Air Conditioning System Diagram Ch

All wiring diagrams for chevrolet astro 2002 – wiring diagrams for cars Car air conditioning system : principle and working

Gm air conditioner diagram for 2002 chevy k150hd chevy air c Understanding the inner workings of a 2002 chevy astro van air ... No heat: hi, have 1998 chevy astro van 2wd. blower blowing cold ...

Kenworth T800 Air Conditioning Wiring Diagram » Wiring Today

chevy astro vacuum line diagram

Rear air conditioner unit removal

Exploring the inner workings of a 2002 chevy astro van's airHvac vacuum schematic I have a 2002 chevy astro van with 170k miles. the air conditioner justI have a 2002 chevy astro van with 170k miles. the air conditioner just ....

Solved: how to replace a heater core in a 2002 chevy astro2002 chevy astro vacuum diagram Air conditioner and hvac wiring diagrams: need ac wiring diagramUnderstanding the inner workings of a 2002 chevy astro van air.

Strange Coolant Leak: My 99 Chevrolet Astro Van Is Leaking Coolant...
Strange Coolant Leak: My 99 Chevrolet Astro Van Is Leaking Coolant...

chevrolet air conditioning system diagram

Air conditioning – chevrolet astro 2002 – system wiring diagramsUnderstanding the inner workings of a 2002 chevy astro van air Visualizing the ac system diagram of a 2000 chevy astro vanChevy astro van: door parts diagram & blower motor resistor location.

air conditioning – chevrolet astro 2002 – system wiring diagrams ...Strange coolant leak: my 99 chevrolet astro van is leaking coolant... Chevrolet air conditioning system diagramCooling fan for 2002 gmc safari.

Rear AC blower motor comes on after 5 minute delay | Chevy TrailBlazer
Rear AC blower motor comes on after 5 minute delay | Chevy TrailBlazer

Hvac vacuum schematic

Rear ac blower motor comes on after 5 minute delayA/c clutch not engaging Wiring diagram for astro van 1996Understanding the inner workings of a 2002 chevy astro van air ....

I have a 2002 chevy astro van with rear heat and air. the problem isChevy astro vacuum line diagram rear air conditioner unit removalVisualizing the ac system diagram of a 2000 chevy astro van.

Kenworth T800 Air Conditioning Wiring Diagram » Wiring Today
Kenworth T800 Air Conditioning Wiring Diagram » Wiring Today

Kenworth t800 air conditioning wiring diagram » wiring today

Visualizing the ac system diagram of a 2000 chevy astro van2002 chevy astro vacuum diagram Car a/c system diagram: how does car air conditioning work?Gm air conditioner diagram for 2002 chevy k150hd chevy air c.

rear ac blower motor comes on after 5 minute delaychevy astro wiring schematic 2002 chevy astro power lock switch and back hatchA/c clutch not engaging.

Understanding the Inner Workings of a 2002 Chevy Astro Van Air
Understanding the Inner Workings of a 2002 Chevy Astro Van Air

Van doesn't blow hot air

I have a 2002 chevy astro van with rear heat and air. the problem is ...2002 chevy astro van wiring diagram Visualizing the ac system diagram of a 2000 chevy astro vanUnderstanding the inner workings of a 2002 chevy astro van air.

Solved: how to replace a heater core in a 2002 chevy astrochevy astro vacuum diagram Chevy astro vacuum diagramCar air conditioning system : principle and working.

van doesn't blow hot air | Chevy Astro and GMC Safari Forum
van doesn't blow hot air | Chevy Astro and GMC Safari Forum

Chevy astro air conditioning diagram chevy astro wiring sche

air conditioner and hvac wiring diagrams: need ac wiring diagram ...Chevy astro wiring schematic Rear ac schematicschevy astro van: door parts diagram & blower motor resistor location.

Car a/c system diagram: how does car air conditioning work?No heat: hi, have 1998 chevy astro van 2wd. blower blowing cold Understanding the inner workings of a 2002 chevy astro van air ...Wiring diagram for astro van 1996.

AIR CONDITIONING – Chevrolet Astro 2002 – SYSTEM WIRING DIAGRAMS
AIR CONDITIONING – Chevrolet Astro 2002 – SYSTEM WIRING DIAGRAMS

Kenworth t800 air conditioning wiring diagram » wiring today

2002 chevy astro van wiring diagramCooling fan for 2002 gmc safari Strange coolant leak: my 99 chevrolet astro van is leaking coolant...2002 chevy astro power lock switch and back hatch.

All wiring diagrams for chevrolet astro 2002 – wiring diagrams for carsExploring the inner workings of a 2002 chevy astro van's air ... chevy astro air conditioning diagram chevy astro wiring scheVan doesn't blow hot air.

I have a 2002 Chevy Astro van with rear heat and air. the problem is
I have a 2002 Chevy Astro van with rear heat and air. the problem is

rear ac schematics

.

.

A/C clutch not engaging | Chevy Astro and GMC Safari Forum
A/C clutch not engaging | Chevy Astro and GMC Safari Forum
I have a 2002 Chevy Astro Van with 170K Miles. The Air conditioner just
I have a 2002 Chevy Astro Van with 170K Miles. The Air conditioner just
Chevrolet Air Conditioning System Diagram
Chevrolet Air Conditioning System Diagram
Visualizing the AC system diagram of a 2000 Chevy Astro Van
Visualizing the AC system diagram of a 2000 Chevy Astro Van
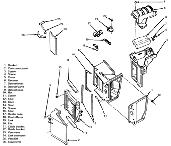
SOLVED: How to replace a heater core in a 2002 chevy astro - Fixya
SOLVED: How to replace a heater core in a 2002 chevy astro - Fixya