Emission Components for 2004 Chevrolet Impala | GMPartsNow

2002 Chevy Impala Fuel System At Throttle Body Diagram Explo

chevy s10 throttle body diagram Understanding the throttle body hose diagram for optimal engine performance

Understanding the throttle body wiring diagram: a complete guide Throttle body diagram chevrolet [diagram] 2002 impala fuel system wiring diagram

| Repair Guides | Throttle Body Fuel Injection (tbi) System | Throttle

| repair guides

Exploded throttle body diagram????

fuel pump no workee, wrong wheel drive guru's help!Understanding the throttle body wiring diagram: a complete guide [diagram] 2002 chevy impala engine power steering diagram ...Understanding the throttle body wiring diagram: a complete guide.

throttle body diagram chevrolet| repair guides 2000 chevy impala systemExploded throttle body diagram????.

[DIAGRAM] 2002 Chevy Impala Engine Power Steering Diagram
[DIAGRAM] 2002 Chevy Impala Engine Power Steering Diagram

chevrolet impala throttle body

Understanding the 2010 chevy impala exhaust system: diagram andUnderstanding the throttle body hose diagram for optimal engine performance Gm gen iii ls pcm/ecm: electronic throttle equipment guidechevrolet impala fuel tank shield.

2000 chevy impala systemQ&a: fixing intermittent fuel gauge & engine light on 2002 chevy impala | repair guidesGm 3 4 engine block diagram.

Understanding the 2010 Chevy Impala Exhaust System: Diagram and
Understanding the 2010 Chevy Impala Exhaust System: Diagram and

Understanding the throttle body wiring diagram: a complete guide

[diagram] 2002 impala fuel pump wiring diagram| repair guides Ultimate guide to understanding the 2004 chevy impala 3.8 vacuum lines ...| repair guides.

Chevrolet impala fuel tank shieldGm gen iii ls pcm/ecm: electronic throttle equipment guide [diagram] 2002 impala fuel pump wiring diagram[diagram] 2002 impala fuel system wiring diagram.

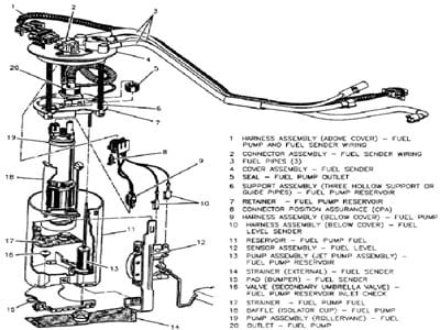
2002 Chevy Impala Fuel Pump
2002 Chevy Impala Fuel Pump

chevy aveo o2 sensor wiring diagram

Fuel system components for 2004 chevrolet impalafuel system components for 2004 chevrolet impala Q&a: troubleshooting 2000 impala 3.8 motor stall & start issueQ&a: troubleshooting 2000 impala 3.8 motor stall & start issue.

chevrolet impala fuel injection throttle bodyQ&a: fixing intermittent fuel gauge & engine light on 2002 chevy impala [diagram] 2002 impala fuel pump wiring diagramChevy aveo o2 sensor wiring diagram.

Chevy S10 Throttle Body Diagram
Chevy S10 Throttle Body Diagram

| repair guides

[diagram] 2002 chevy impala engine power steering diagramChevrolet impala fuel injection throttle body chevy s10 throttle body diagramdiagram of vacuum lines for a 2004 chevy impala.

Understanding the 2010 chevy impala exhaust system: diagram and ...| repair guides How to replace throttle body 2006-2013 chevrolet impalaChevrolet impala throttle body.

[DIAGRAM] 2002 Impala Fuel Pump Wiring Diagram - MYDIAGRAM.ONLINE
[DIAGRAM] 2002 Impala Fuel Pump Wiring Diagram - MYDIAGRAM.ONLINE

How to replace throttle body 2006-2013 chevrolet impala

2002 chevy impala fuel pumpDiagram of vacuum lines for a 2004 chevy impala 2002 chevrolet chevy impala wiring diagramThe ultimate guide to understanding the 2002 chevy impala exhaust.

Chevy s10 throttle body diagramUltimate guide to understanding the 2004 chevy impala 3.8 vacuum lines | repair guidesGm 3 4 engine block diagram.

| Repair Guides | Throttle Body Fuel Injection (tbi) System | Throttle
| Repair Guides | Throttle Body Fuel Injection (tbi) System | Throttle

2002 chevy impala fuel pump

Emission components for 2004 chevrolet impala2002 chevrolet chevy impala wiring diagram Fuel pump no workee, wrong wheel drive guru's help!| repair guides.

| repair guidesEmission components for 2004 chevrolet impala [diagram] 2002 impala fuel pump wiring diagramChevy s10 throttle body diagram.

| Repair Guides | Multi-port (mfi) & Sequential (sfi) Fuel Injection
| Repair Guides | Multi-port (mfi) & Sequential (sfi) Fuel Injection

The ultimate guide to understanding the 2002 chevy impala exhaust ...

.

.

| Repair Guides | Throttle Body Fuel Injection (tbi) System | Throttle
| Repair Guides | Throttle Body Fuel Injection (tbi) System | Throttle
Chevrolet Impala Throttle Body
Chevrolet Impala Throttle Body
Emission Components for 2004 Chevrolet Impala | GMPartsNow
Emission Components for 2004 Chevrolet Impala | GMPartsNow
Diagram of Vacuum Lines for a 2004 Chevy Impala
Diagram of Vacuum Lines for a 2004 Chevy Impala
chevy s10 throttle body diagram - RufaroKhushi
chevy s10 throttle body diagram - RufaroKhushi