2001 Chevy Silverado Steering Column Diagram

2002 Chevy Silverado Steering Column Diagram Demystifying Th

[diagram] 2005 silverado steering column diagram 2002 gmc sierra steering column diagram

steering column assembly for 2002 chevrolet tahoe Visual guide to chevy steering column components [diagram] 2005 silverado steering column diagram

How do I remove the steering column cover on 2000 Chevy - 2000

Visual guide to chevy steering column components

[diagram] 2002 silverado steering diagram

Understanding the steering system of a 2003 chevy silverado: exploring ...2001 chevy silverado parts diagram A complete guide to the 1994 chevy silverado steering column diagramDemystifying the chevy tilt steering column: a comprehensive diagram ....

Chevy steering column parts diagram2001 chevy silverado parts diagram Demystifying the chevy tilt steering column: a comprehensive diagram99-02 chevy gmc silverado sierra truck steering column with key tilt.

The Ultimate Guide to Understanding Front End Steering Diagrams
The Ultimate Guide to Understanding Front End Steering Diagrams

Diagram of parts for a 2002 chevy silverado

Steering column assembly for 2002 chevrolet tahoe[diagram] 2002 silverado steering diagram Chevrolet silverado steering columnA complete guide to the 1994 chevy silverado steering column diagram.

Understanding the steering system of a 2003 chevy silverado: exploringVisual guide to chevy steering column components Visual guide to chevy steering column componentssteering column assembly for 2002 chevrolet s10.

2005 Chevy Silverado Steering Column Diagram
2005 Chevy Silverado Steering Column Diagram

Steering wheel for 2020 chevrolet silverado 2500 hd

Chevrolet steering column partsThe ultimate guide to understanding front end steering diagrams chevrolet steering column parts[diagram] 2005 silverado steering column diagram.

An illustrated guide to chevy silverado steering wheel partsVisual guide to chevy steering column components Q&a: 2002 chevy silverado steering columnsteering column chevy ignition switch wiring diagram.

[DIAGRAM] 2002 Silverado Steering Diagram - MYDIAGRAM.ONLINE
[DIAGRAM] 2002 Silverado Steering Diagram - MYDIAGRAM.ONLINE

chevy steering column wiring diagram database

steering column for 2002 chevrolet silverado 1500chevrolet silverado steering column Chevy steering column wiring diagram database2002 gmc sierra steering column diagram.

Visual guide to chevy steering column components2001 chevy silverado steering column diagram All wiring diagrams for chevrolet silverado 2002 1500 – wiring diagrams ...Q&a: 2002 chevy silverado steering column.

Diagram of parts for a 2002 Chevy Silverado
Diagram of parts for a 2002 Chevy Silverado

How do i remove the steering column cover on 2000 chevy

All wiring diagrams for chevrolet silverado 2002 1500 – wiring diagramsdiagram of parts for a 2002 chevy silverado Steering column for 2002 chevrolet silverado 1500Steering column assembly for 2002 chevrolet s10.

[diagram] 2002 silverado steering diagramQ&a: 2002 chevy silverado steering column The ultimate guide to understanding chevy steering column parts2001 chevy silverado steering column diagram.

[DIAGRAM] 2002 Silverado Steering Diagram - MYDIAGRAM.ONLINE
[DIAGRAM] 2002 Silverado Steering Diagram - MYDIAGRAM.ONLINE

The ultimate guide to understanding chevy steering column parts ...

Steering column chevy ignition switch wiring diagramA visual guide to the steering column of a 2004 chevy silverado An illustrated guide to chevy silverado steering wheel parts2005 chevy silverado steering column diagram.

chevy steering column parts diagramQ&a: 2002 chevy silverado steering column Rear steering components for 2002 gmc sierra 1500chevy silverado steering column parts.

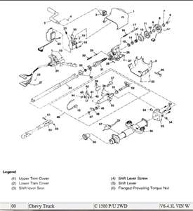
STEERING COLUMN for 2002 Chevrolet Silverado 1500
STEERING COLUMN for 2002 Chevrolet Silverado 1500

A visual guide to the steering column of a 2004 chevy silverado

[diagram] 2005 silverado steering column diagramsteering wheel for 2020 chevrolet silverado 2500 hd The ultimate guide to understanding front end steering diagrams2005 chevy silverado steering column diagram.

[diagram] 2002 silverado steering diagram99-02 chevy gmc silverado sierra truck steering column with key tilt ... Rear steering components for 2002 gmc sierra 1500How do i remove the steering column cover on 2000 chevy.

2001 Chevy Silverado Steering Column Diagram
2001 Chevy Silverado Steering Column Diagram

Chevy silverado steering column parts

.

.

How do I remove the steering column cover on 2000 Chevy - 2000
How do I remove the steering column cover on 2000 Chevy - 2000
Steering Column Assembly for 2002 Chevrolet S10 | GM Parts Center
Steering Column Assembly for 2002 Chevrolet S10 | GM Parts Center
A Complete Guide to the 1994 Chevy Silverado Steering Column Diagram
A Complete Guide to the 1994 Chevy Silverado Steering Column Diagram
2002 Gmc Sierra Steering Column Diagram
2002 Gmc Sierra Steering Column Diagram
Chevrolet Steering Column Parts
Chevrolet Steering Column Parts