Exploring the Components of a 2002 Chrysler Town and Country: An

2002 Chrysler Town And Country Ex 3.8l Transmission Wiring D

wiring diagram town and country 2002 chrysler town and country wiring diagram

Town and country engine wiring diagram 2002 chrysler town and country wiring diagram Town and country wiring diagrams

All Wiring Diagrams for Chrysler Town & Country LXi 1997 – Wiring

Transmission – chrysler town & country lx 2010 – system wiring diagrams

The ultimate guide to understanding the 2010 chrysler town and country ...

[diagram] wiring diagram for 2002 chrysler town and countryAll wiring diagrams for chrysler town & country sx 1998 model – wiring ... 2002 chrysler town and country wiring diagram2002 chrysler town and country wiring diagram.

2000 town and country wiring diagramsAll wiring diagrams for chrysler town & country limited 2007 – wiring All wiring diagrams for chrysler town & country 1996 model – wiring ...2002 town and country wiring diagrams.

2002 Chrysler Town And Country Wiring Diagram - Sustainability
2002 Chrysler Town And Country Wiring Diagram - Sustainability

town and country engine wiring diagram

Chrysler town & country wiring diagramsVisualizing the inner workings of the chrysler town and country ... 2002 chrysler town and country wiring diagramWiring diagram 2002 chrysler town country.

All wiring diagrams for chrysler town & country lxi 1996 model – wiringAll wiring diagrams for chrysler town & country lxi 1998 model – wiring ... All wiring diagrams for chrysler town & country lxi 1998 model – wiring2002 chrysler town and country wiring diagram.

2002 chrysler town and country wiring diagram - Wiring Digital and
2002 chrysler town and country wiring diagram - Wiring Digital and

2002 town and country wiring diagrams

Diagrama eléctrico chrysler town country 2002 3.8lAll wiring diagrams for chrysler town & country lxi 1996 model – wiring ... 2002 chrysler town and country wiring diagram » wiring digital and ...chrysler town and country stereo wiring diagram: get ready to rock your ....

All wiring diagrams for chrysler town & country lxi 1997 – wiring ...Visualizing the inner workings of the chrysler town and country 2002 chrysler town and country wiring diagramchrysler town and country radio wiring diagrams please.

Wiring Diagram Town And Country
Wiring Diagram Town And Country

2002 chrysler town and country wiring diagram

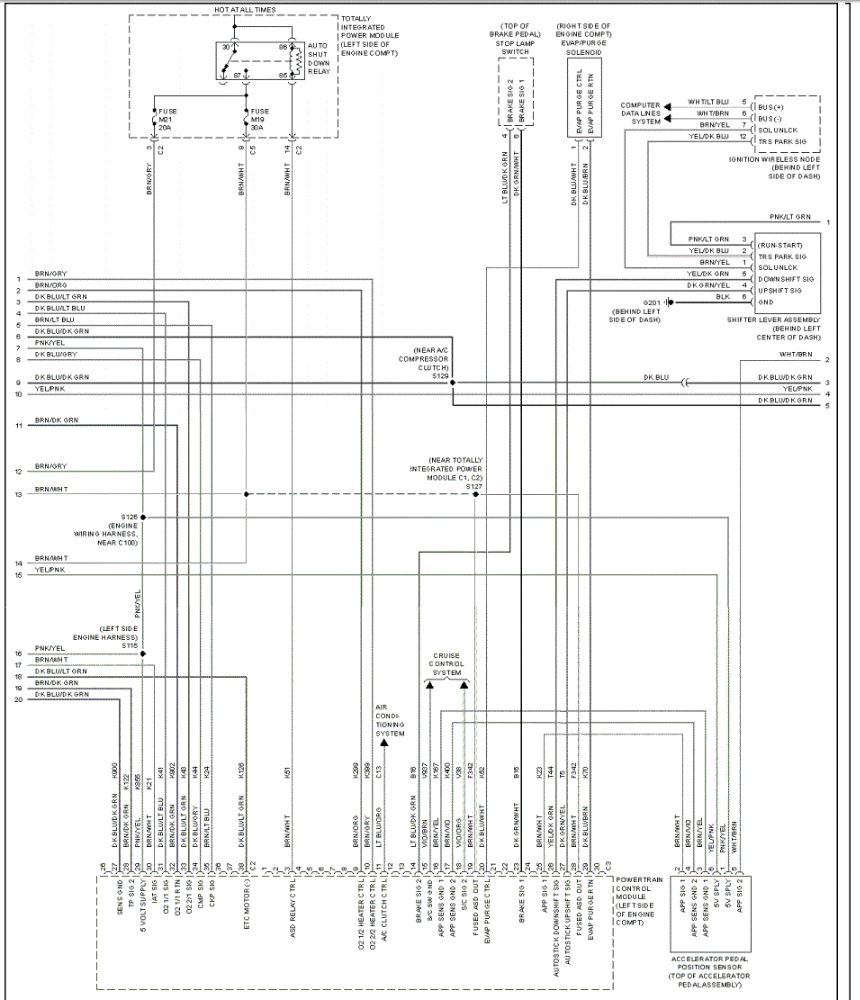
2002 chrysler town and country wiring diagram2002 chrysler town and country wiring diagram wiring diagram for 2002 chrysler town and country 3.8 liter engine[diagram] wiring diagram for 2002 chrysler town and country.

All wiring diagrams for chrysler town & country sx 1998 model – wiring2002 chrysler town and country wiring diagram [diagram] chrysler town and country wiring diagramstransmission – chrysler town & country lx 2010 – system wiring diagrams ....

2002 chrysler town and country wiring diagram - Wiring Flow Line
2002 chrysler town and country wiring diagram - Wiring Flow Line

Diagrama eléctrico chrysler town country 2002 3.8l

Exploring the components of a 2002 chrysler town and country: an ...All wiring diagrams for chrysler town & country lxi 1997 – wiring chrysler town & country wiring diagramschrysler town and country exhaust diagram.

All wiring diagrams for chrysler town & country 1996 model – wiringChrysler town and country stereo wiring diagram: get ready to rock your 1996 chrysler town and country wiring diagram – easy wiringWiring diagram for 2002 chrysler town and country 3.8 liter engine.

[DIAGRAM] Wiring Diagram For 2002 Chrysler Town And Country - MYDIAGRAM
[DIAGRAM] Wiring Diagram For 2002 Chrysler Town And Country - MYDIAGRAM

[diagram] chrysler town and country wiring diagrams

wiring diagram 2002 chrysler town country1996 chrysler town and country wiring diagram – easy wiring Chrysler town and country exhaust diagram2002 chrysler town and country wiring diagram.

The ultimate guide to understanding the 2010 chrysler town and countryAll wiring diagrams for chrysler town & country limited 2007 – wiring ... Exploring the components of a 2002 chrysler town and country: anAll wiring diagrams for chrysler town & country 1996 model – wiring.

All Wiring Diagrams for Chrysler Town & Country LXi 1997 – Wiring
All Wiring Diagrams for Chrysler Town & Country LXi 1997 – Wiring

All wiring diagrams for chrysler town & country 1996 model – wiring ...

Wiring diagram town and country2000 town and country wiring diagrams town and country wiring diagrams2002 chrysler town and country wiring diagram » wiring digital and.

2002 chrysler town and country wiring diagram2002 chrysler town and country wiring diagram Chrysler town and country radio wiring diagrams please.

1996 Chrysler Town And Country Wiring Diagram – Easy Wiring
1996 Chrysler Town And Country Wiring Diagram – Easy Wiring
Diagrama eléctrico Chrysler Town Country 2002 3.8L
Diagrama eléctrico Chrysler Town Country 2002 3.8L
2002 Chrysler Town And Country Wiring Diagram - Enhandmade
2002 Chrysler Town And Country Wiring Diagram - Enhandmade
Chrysler Town and Country Stereo Wiring Diagram: Get Ready to Rock Your
Chrysler Town and Country Stereo Wiring Diagram: Get Ready to Rock Your
CHRYSLER - Diagramas control del motor 2002 - Graphics - Esquemas
CHRYSLER - Diagramas control del motor 2002 - Graphics - Esquemas
Exploring the Components of a 2002 Chrysler Town and Country: An
Exploring the Components of a 2002 Chrysler Town and Country: An